Più di 7500 articoli pronti a magazzino
Assistenza e consulenza personalizzata
Più da vicino
Astronomia > Montature & Accessori > Colonne ed estensioni > Accessori > Omegon > Omegon Adattatore per montatura Skywatcher per colonna Pro
Prodotto n.: 85074

Adattatore per montatura Skywatcher per colonna Pro

a lungo termine
Il prodotto è disponibile a partire dal 15.01.2026 + Tempo di trasporto

Servizio speciale a causa dei lunghi tempi di consegna: Ordina ora e paga solo quando tutti gli articoli sono pronti per la spedizione!

La nostra garanzia sul prezzo: se i prezzi degli articoli aumentano fino al momento della consegna, si applicano i prezzi in vigore al momento dell'ordine. Tuttavia, se i prezzi diminuiscono, le addebiteremo automaticamente i nuovi prezzi più bassi.

Descrizione prodotto

Adatta per queste montature: NEQ-3, NEQ-5, HEQ-5, AZ/EQ5 PRO, Meade LX85 e simili

Adattatore adatto a molte montature di uso comune

EQ-3, EQ-5 o una montatura completamente diversa? L'adattatore con incavi per il raccordo della montatura si adatta a molti modelli disponibili in commercio. La montatura può essere fissata sulla colonna in pochi secondi, perché la flangia si fissa con tre viti in alluminio anodizzato in pochissimo tempo.

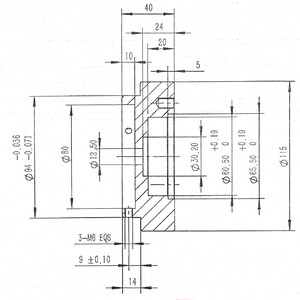
La vostra montatura è adatta? Potete scoprirlo con le misure esatte.

  • Diametro interno dell'incavo: 64,8 mm
  • Profondità: 19,9 mm
  • Foro centrale per la vite di collegamento: 11mm
  • Altezza del perno AZ: 25 mm

Adattatore per Omegon Colonna Pro per montature e binocoli. Dimensioni come mostrato nelle illustrazioni. L'adattatore si adatta anche a colonne telescopiche di costruzione identica se hanno un diametro interno di 94 mm e tre rientranze per viti M6 a 9 mm sotto il bordo superiore sono presenti.

Specifiche

Prestazioni


Adatto per ...
Skywatcher EQ-3, (H)EQ-5, AZ/EQ-5, (AZ-)EQ-6(R), Bresser EXOS-2, Celestron AVX, CGEM, Meade LX85, Vixen GP
Adatto per montature
Skywatcher EQ-3, (H)EQ-5, AZ/EQ-5, (AZ-)EQ-6(R), Bresser EXOS-2, Celestron AVX, CGEM, Meade LX85, Vixen GP

Generale


Diametro esterno (mm)
115
Tecnica di fabbricazione
Colonna
Diametro (mm)
115
Peso (g)
700
Tipo
Adattore
Altezza (mm)
40

Sicurezza del prodotto

Produttore: NIMAX GmbH, Otto-Lilienthal-Str. 9, 86899 Landsberg am Lech, DE, www.nimax.de
Omegon Adattatore per montatura Skywatcher per colonna Pro
Omegon Adattatore per montatura Skywatcher per colonna Pro
Omegon Adattatore per montatura Skywatcher per colonna Pro
Omegon Adattatore per montatura Skywatcher per colonna Pro
Omegon Adattatore per montatura Skywatcher per colonna Pro
Omegon Adattatore per montatura Skywatcher per colonna Pro

Recensioni clienti

Non ci sono ancora recensioni per questo prodotto.

Scrivi la tua recensione:

Avete domande specifiche sul vostro ordine o sui prodotti? Contattate il nostro servizio clienti!

I clienti che hanno comprato questo prodotto hanno comprato anche...